Korkean tarkkuuden ruiskuvalukone
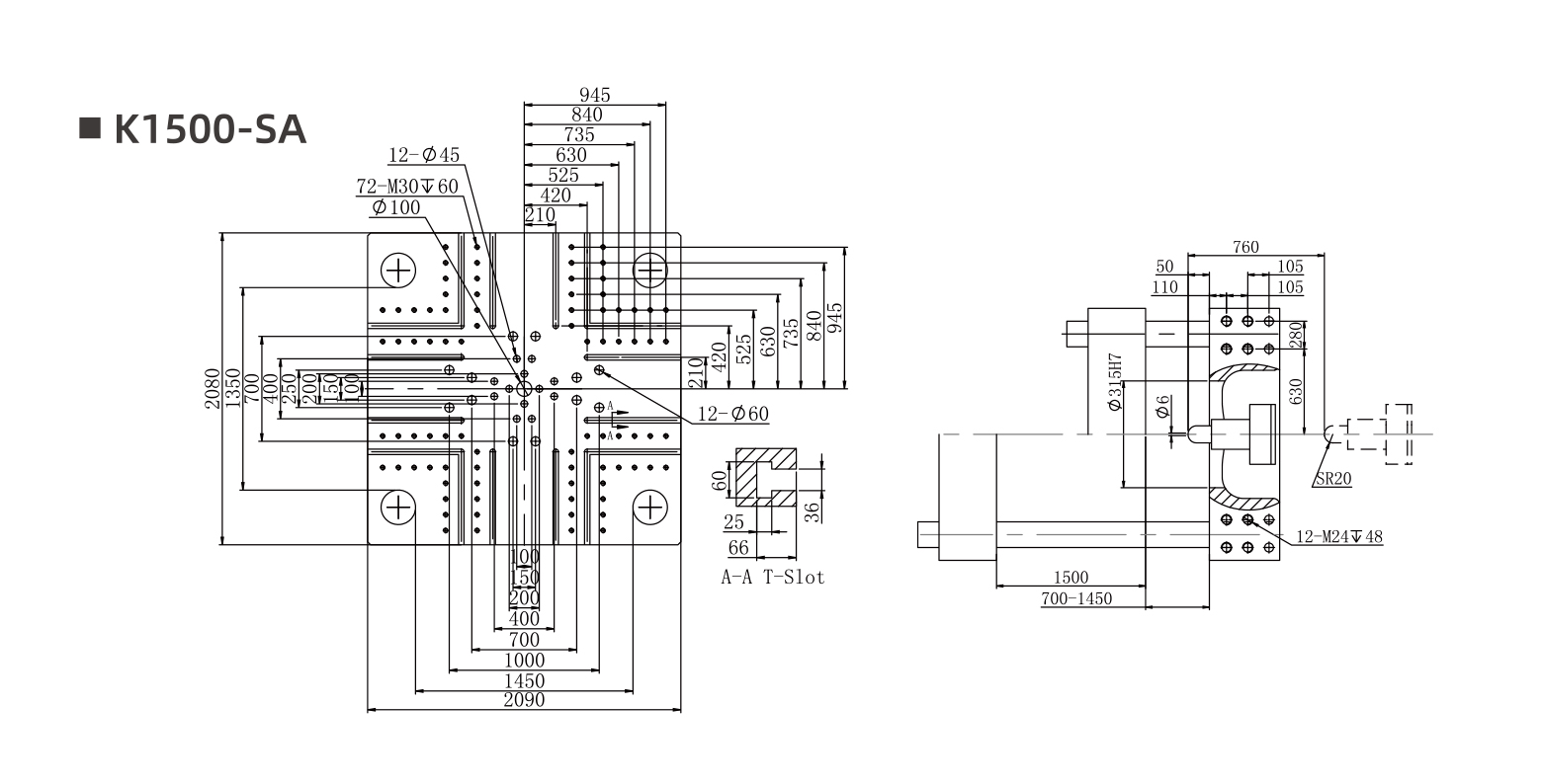
K1500-SA
PREV PRODUCT:K1850-SA
NEXT PRODUCT:K1300-SA
| KUVAUS | UNIT | K1500-SA | ||||
| KANSAINVÄLINEN KOKOLUOKITUS | 18200 | |||||
| A | B | C | D | |||
| RUISKUSYKSIKKÖ | Ruuvin halkaisija | mm | 130 | 140 | 150 | 160 |
| Ruuvin L:D-suhde | 23.7 | 22 | 20.5 | 19.3 | ||
| Laukauksen äänenvoimakkuus | cm3 | 9291 | 10776 | 12370 | 14074 | |
| Laukauksen paino (PS) | g | 8455 | 9806 | 11257 | 12807 | |
| oz | 298.2 | 345.9 | 397.1 | 451.7 | ||
| Ruiskutuspaine | Baari | 1959 | 1689 | 1471 | 1293 | |
| Injektionopeus | cm3/s | 1341 | 1555 | 1785 | 2031 | |
| Plastisointikyky | g/s | 156 | 195 | 229 | 246 | |
| Max.ruuvin nopeus | r/min | 113 | ||||
| KIRISTUSYKSIKKÖ | Puristusvoima | kN | 15000 | |||
| Kiinnitystankojen välinen tila | mm | 1450x1350 | ||||
| Levyjen koko | mm | 2090x2080 | ||||
| Avausisku | mm | 1500 | ||||
| Min.mdd korkeus | mm | 700 | ||||
| Max.muotin korkeus | mm | 1450 | ||||
| Levyjen välinen etäisyys (päivänvalo) | mm | 2950 | ||||
| Ejektoriisku | mm | 350 | ||||
| Ejektorivoima | kN | 320 | ||||
| Ejektorin lukumäärä | 25 | |||||
| VIRTALÄHDE | Järjestelmän paine | Baari | 175 | |||
| Pumpun moottori | kW | 42 54 54 | ||||
| Lämmityskapasiteetti | kW | 91 | ||||
| YLEISTÄ | Öljysäiliön tilavuus | L | 1300 | |||
| Koneen mitat (PxLxK) | m*m*m | 13,8x3,1x4,5 | ||||
| Koneen paino | t | 87 | ||||
| Suppilon kapasiteetti | kg | 400 | ||||
| Ei | Komponenttien kokoonpano | Brändi | Lähtöisin | Kokoonpanon laajuus |
| 1 | ohjain | Taiwan Techmation(AK628) 8 tuuman alumiinijyrsintä | Taiwan | K110-230 |
| 2 | ohjain | Taiwan Techmation(TECH1)8 tuuman alumiinijyrsintä | Taiwan | K270-460 |
| 3 | ohjain | Taiwan Techmation(TECH2) 12 tuuman alumiinijyrsintä | Taiwan | K530-800 |
| 4 | Servo öljypumppu | USA HIGH-TECH | U.S.A | Täysi valikoima |
| 5 | Servo moottori | VAIHE | Italia | Täysi valikoima |
| 6 | servokäyttö | VAIHE | Italia | Täysi valikoima |
| 7 | Servo sarja | Saksa Rexroth | Saksa | Valinnainen |
| 8 | Kääntöventtiili | Japani YUKEN | Taiwan | Täysi valikoima |
| 9 | Kääntöventtiili | USA VICKERS | U.S.A | Valinnainen |
| 10 | Esimuovimoottori | DANDUN | Kiina | Täysi valikoima |
| 11 | Muotin säätömoottori | DANDUN | Kiina | Täysi valikoima |
| 12 | Tiivistyselementti | U.KHALLITE | Iso-Britannia | Täysi valikoima |
| 13 | voitelujärjestelmä | HERG | Kiina | Täysi valikoima |
| 14 | Katkaisija | SCHNEIDER ELECTRIC | Ranska | Täysi valikoima |
| 15 | ilmakytkin | SCHNEIDER ELECTRIC | Ranska | Täysi valikoima |
| 16 | Elektroninen viivain | Bonny | U.S.A | Täysi valikoima |
| 17 | Elektroninen viivain | NOVOtek | Saksa | Valinnainen |
| 18 | Puolijohderele | FOTEK | Taiwan | Täysi valikoima |
| 19 | Matkakytkin | SCHNEIDER ELECTRIC | Ranska | Täysi valikoima |
| 20 | Läheisyyskytkin | FOTEK | Taiwan | Täysi valikoima |
| 21 | Ruuvin piippu | TONGDA | Kiina | Koko valikoima |
Korkeatasoinen tehdas
Ningbo KSM Machinery Manufacturing Co., Ltd. on yhteistyössä Italian teknologioiden erikoistunut korkealaatuisen muovin tuotantoon korkealaatuisia muovivalukone. Yrityksemme sijaitsee Ningbo Beilun Xing Ao Industrial Parkissa. Meillä on useita T&K-henkilöstöä ja teemme yhteistyötä korkean teknologian yritysten kanssa. Ammattilaisena Kiina K1500-SA-Korkean tarkkuuden ruiskuvalukone toimittajia ja OEM/ODM K1500-SA-Korkean tarkkuuden ruiskuvalukone yhtiö, Se tuottaa pääasiassa erittäin tarkkoja ruiskuvalukoneita, joiden puristusvoima on 110T - 1850T. Tuotteissa on korkea jäykkyys ja varustettu maahantuoduilla hydrauli- ja sähköelementeillä, käytetty sekoituspäällä varustettua ruuvia, jotta niillä olisi erinomainen plastisointikyky ja ne soveltuvat erilaisiin teknisiin muoviruiskuvaluihin ja käyttäjien erikoistilauksesta. Perustamisestaan lähtien yhtiö on aina kiinnittänyt huomiota yrityksen maineeseen, suorittanut tieteellistä johtamista järkevällä suunnittelulla, perustuu laadukkaisiin ennakkomyyntiin, myyntiin ja myynnin jälkeisiin palveluihin voittaakseen suuren määrän käyttäjien luottamusta ja hyväksyntää. Noudatamme mottoa "rehellinen, jatka kehittymistä, panosta laatuun, älä koskaan rentoudu ponnisteluissa". Vilpittömästi tervetuloa ystävät kaikista Wask opastusta. Yhtiöllä on tutkimus- ja kehityskeskus, jolla on vahva kehitysvahvuus. Samalla se tekee yhteistyötä kotimaisten yliopistojen ja korkeakoulujen kanssa ruisku- ja muovinvalmistuslaitteiden sekä ruiskuvalukoneen kehittämiseksi ja tutkimiseksi. Yrityksellä on kehittyneet letkujen testauslaitteet ja kokeelliset laitteet. Viime vuosina T&K-keskus on saavuttanut monia saavutuksia ruiskuvalukoneissa ja muovilaitteissa, kumin vulkanointiprosessissa ja formulaatiokehityksessä. Vilpittömästi kutsua asiakkaita kotimaassa ja ulkomailla käymään tehtaallamme ja odotan pitkäjänteistä yritystäsi luomaan sinulle kauniin huomisen!
Miksi valita meidät
Meillä on oma testauslaboratorio sekä kehittyneet ja täydelliset tarkastuslaitteet, jotka voivat varmistaa laitteidemme tuottamien tuotteiden laadun.
Vuotuinen tuotantokapasiteettimme on yli 500 ruiskuvalukonetta.
Keskitymme korkealaatuisten tuotteiden kehittämiseen huippumarkkinoille. Tuotteemme ovat kansainvälisten standardien mukaisia, ja niitä viedään pääasiassa Eurooppaan, Amerikkaan, Japaniin ja muihin kohteisiin ympäri maailmaa.
Olemme vain 15 kilometrin päässä Ningbon satamasta, on erittäin kätevää ja tehokasta lähettää tavaroita muihin maihin.
Takaa korkea laatu asiantuntemuksemme avulla
Aito luotettava laatu erottuu luonnollisesti joukosta eikä pelkää vertailua.
Tarjoa sinulle viimeisimmät yritys- ja teollisuusuutiset
1. Moniontelomuottien peruskäsite Moniontelomuotit viittaavat useiden onteloiden asettamiseen ...
1. Tehokas öljy-sähköhybridijärjestelmä The Öljy-sähköinen nopea ruiskutuskone käyttää ...
Öljynjäähdytysjärjestelmän käyttö sisään muovin ruiskuvalukone Tehokkaana jäähdytysmenet...
Muoviset ruiskuvalukoneet on tärkeä rooli nykyaikaisessa teollisuudessa. He pystyvät valmis...
Muoviset ruiskuvalukoneet on tärkeä rooli nykyaikaisessa teollisuudessa. He pystyvät valmis...
Uudelleenvirtaussuhde on tärkeä parametri muovin ruiskuvaluprosessissa, ja sillä on avainrooli erit...